new WOW().init();

食品級球閥在食品加工行業中有著廣泛的應用,其閥體和密封材料符合食品級標準,不會對食品造成污染。這種球閥的結構緊湊,流體阻力小,能夠實現快速啟閉,具有良好的密封性能和耐腐蝕性能。
產品資料下載食品級法蘭球閥-衛生級-啤酒行業
食品級球閥在食品加工行業中有著廣泛的應用,其閥體和密封材料符合食品級標準,不會對食品造成污染。這種球閥的結構緊湊,流體阻力小,能夠實現快速啟閉,具有良好的密封性能和耐腐蝕性能。
食品級球閥的閥座密封性能好,大多數球閥的密封圈采用聚四氟乙烯等彈性材料制造,軟密封結構易于保證啟封,而且球閥的密封力隨著介質壓力的增高而增大。同時,食品級球閥的閥桿密封可靠,啟閉時閥桿只作旋轉運動而不作升降運動,閥桿的填料密封不易破壞。
此外,食品級球閥的制造和檢驗標準符合國際和國家的相關法規和標準,如ISO、IDF、DIN等,其清潔和衛生設計符合FDA的相關要求,能夠保證食品加工過程中安全、衛生、可靠。
食品級法蘭球閥小樣圖:

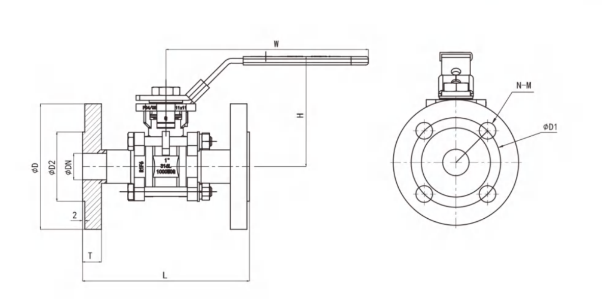
食品級法蘭球閥尺寸圖:

食品級法蘭球閥參數:

食品級法蘭球閥扭矩表:

食品級法蘭球閥具有以下特點和要求:
1. 材質符合食品級標準,無毒無害,適用于食品加工和儲存場所。
2. 密封性能好,能夠有效地防止介質泄漏和污染。
3. 耐腐蝕性強,能夠抵抗各種化學物質的侵蝕和氧化。
4. 操作簡便,能夠快速開關和調節,方便維護和清洗。
5. 適應性強,能夠在各種復雜的環境條件下穩定工作,保證食品加工過程的順利進行。
食品級法蘭球閥需要注意以下幾點:
1. 選擇符合自己需求和現場條件的型號和規格。
2. 確認球閥的材質符合食品級標準,并能夠抵抗加工介質的腐蝕。
3. 檢查球閥的密封性能和耐壓能力是否符合要求。
4. 確認球閥的操作方式符合現場要求,易于清洗和維護。
5. 最后,需要選擇有信譽和質量保證的廠家進行購買。
掃一掃關注公眾號