new WOW().init();

衛生級法蘭球閥是一種應用于衛生潔凈系統的閥門,常用于啤酒、乳業、飲料、制藥和食品等對衛生要求很高的場所。閥體和通道經過鏡面拋光處理,無流阻和滯留,確保介質順利通過閥門。
產品資料下載衛生級法蘭球閥是一種應用于衛生潔凈系統的閥門,常用于啤酒、乳業、飲料、制藥和食品等對衛生要求很高的場所。閥體和通道經過鏡面拋光處理,無流阻和滯留,確保介質順利通過閥門。
衛生級球閥的操作原理基于球閥結構的設計。它采用球體作為截流件,通過手動或氣動、電動裝置使球體旋轉90度來實現流體的控制和調節。
衛生級球閥結構圖:

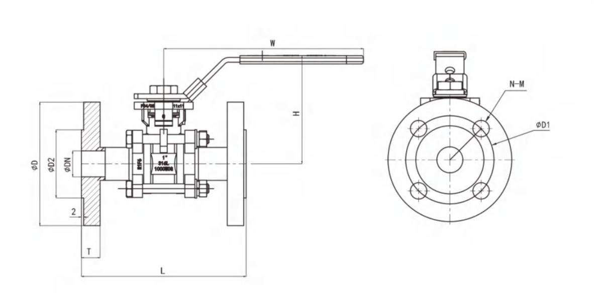
衛生級球閥尺寸圖:

衛生級球閥現場應用:

衛生級球閥主要零部件材料表:
球體:不銹鋼304/316L等
閥座:不銹鋼304 /316L等
密封圈材質:PTFE,符合FDA117.2600
尺寸:1/2-6/DN15-DN150
標準:3A/DIN/SMS/IDF/RJT/BPE/ISO
閥門出廠前進行100%的試壓測試。
產品嚴格按照國家標準設計制造。
衛生級法蘭球閥特點包括:
1. 采用不銹鋼材質,如SUS304和SUS316L,符合衛生標準,可以保證系統清潔衛生。
2. 具有優異的密封性能,能夠有效地防止介質泄漏和污染。
3. 可根據客戶需求進行定制,滿足不同工況需求。
4. 便于安裝和拆卸維護,能夠提高工作效率。
掃一掃關注公眾號